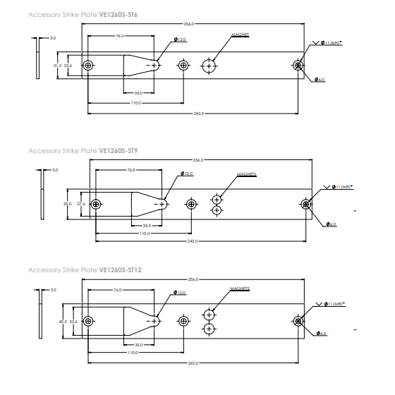
FSH VE1260S-ST6 Strike Plate 31mm for VE1260S

FSH VE1260S-ST6 Strike Plate 31mm for VE1260S

SKU 15518005 Category